Emplacement du contacteur ou interrupteur de feu de recul

Répondre
Avatar du membre
patpauoli
Novice
Novice
Messages : 37
Enregistré le : 21 janv. 2018
Véhicule : A la casse

Emplacement du contacteur ou interrupteur de feu de recul

Message par patpauoli » 07 févr. 2018 12:10

Bonjour.

J'ai une V6 3.5 essence en boite automatique.

Je cherche l'emplacement du contacteur ou interrupteur de feu de recul.

Par avance merci, Patpauoli.

Avatar du membre
Jean-Louis
Full Options
Full Options
Messages : 3385
Enregistré le : 30 juil. 2008
Localisation : JEUMONT(59)
Véhicule : 2L turbo
Contact :

Message par Jean-Louis » 07 févr. 2018 12:29

Bonjour,

Il est situé sur la boite sur le contacteur multi fonction s
Image........Z’é cru voir une mousseImageImage

Avatar du membre
patpauoli
Novice
Novice
Messages : 37
Enregistré le : 21 janv. 2018
Véhicule : A la casse

Message par patpauoli » 10 févr. 2018 14:33

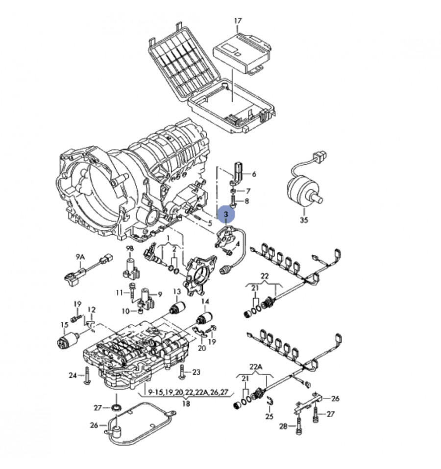
En cherchant sur Internet je ne trouve pas de photos me permettant de bien le localiser.
Vous pouvez m'aider avec une photo ou un diagramme ?
Merci par avance.
Fichiers joints
capteur-contacteur-multifonction-pour-boite-de-vitesses-automatique-ref-01v919821a-01v919821b-0511211612-0501317994-zfs.jpg
Eclaté de la boite de vitesse

Avatar du membre
Jean-Louis
Full Options
Full Options
Messages : 3385
Enregistré le : 30 juil. 2008
Localisation : JEUMONT(59)
Véhicule : 2L turbo
Contact :

Message par Jean-Louis » 10 févr. 2018 16:54

Repère 779

Image
Image........Z’é cru voir une mousseImageImage

Avatar du membre
patpauoli
Novice
Novice
Messages : 37
Enregistré le : 21 janv. 2018
Véhicule : A la casse

Message par patpauoli » 10 févr. 2018 17:40

C'est toute la pièce qu'il faut remplacer ?
Je m'attendais à un petit contacteur.

Avatar du membre
Jean-Louis
Full Options
Full Options
Messages : 3385
Enregistré le : 30 juil. 2008
Localisation : JEUMONT(59)
Véhicule : 2L turbo
Contact :

Message par Jean-Louis » 10 févr. 2018 18:57

Ce n'est peut-être qu'un PB de connectique ?

Je crois que ce n'est pas facile à changer et qu'il y a un réglage à faire mais me souviens plus
Image........Z’é cru voir une mousseImageImage

Avatar du membre
patpauoli
Novice
Novice
Messages : 37
Enregistré le : 21 janv. 2018
Véhicule : A la casse

Message par patpauoli » 10 févr. 2018 19:48

Sur mon espace boite manuelle il est accessible sous la batterie.
C'est la pièce verte déconnectée.
Ce ressemble pas du tout à ça sur la Velsatis V6 boite automatique, vous êtes sûr de vous ?
[attachment=0]contacteur_feu_recul.jpg[/attachment]
Fichiers joints
contacteur_feu_recul.jpg
contacteur_feu_recul.jpg (104.97 Kio) Vu 12278 fois
contacteur_feu_recul.jpg
contacteur_feu_recul.jpg (104.97 Kio) Vu 12278 fois

Avatar du membre
Rauman
Membre Carminat
Membre Carminat
Messages : 404
Enregistré le : 29 mai 2017
Localisation : Côtes d'Armor
Véhicule : Vel Satis 2.0 T Privilège 2003 ph1 bm

Message par Rauman » 10 févr. 2018 22:42

@patpauoli ;-)

Comme te l'a dit Jean-Louis, ça doit bien être le contacteur multifonctions 779. Suivant ce que tu veux faire tu peux peut-être essayer de te repiquer ailleurs ?
Capture4.JPG
Capture3.JPG
Capture3.JPG (20.71 Kio) Vu 12272 fois
Capture3.JPG
Capture3.JPG (20.71 Kio) Vu 12272 fois
@+++
Franck

Edit du 11/02 : merci à Jean-Louis d'avoir rectifié :jap: , en effet c'était pas le bon schéma électrique, je le supprime pour ne pas tromper notre ami ;-)
Modifié en dernier par Rauman le 11 févr. 2018 12:20, modifié 1 fois.
:drive: Vel Satis 2.0 T Privilège 2003 ph1 bm 178000 kms -> 216000 kms

Avatar du membre
Jean-Louis
Full Options
Full Options
Messages : 3385
Enregistré le : 30 juil. 2008
Localisation : JEUMONT(59)
Véhicule : 2L turbo
Contact :

Message par Jean-Louis » 11 févr. 2018 02:36

Ben là il est au dessus aussi l :grin: :grin: :grin:

Ce que tu montres c'est pour boite manu comme moi et il est au même endroit, normal c'est le même type de boite.

Tu n'as pas sélectionné le bon plan Rauman , le contact est celui qui est libre sur ton schéma mais bon il aura tout comme ça.

Le bon plan pour feux de recul :

Image


C'est pas beau ça ?
Image........Z’é cru voir une mousseImageImage

Avatar du membre
patpauoli
Novice
Novice
Messages : 37
Enregistré le : 21 janv. 2018
Véhicule : A la casse

Message par patpauoli » 11 févr. 2018 09:59

J'ai bien tout compris.
Sur la boite automatique il est intégré dans le contacteur multifonction.

Avatar du membre
patpauoli
Novice
Novice
Messages : 37
Enregistré le : 21 janv. 2018
Véhicule : A la casse

Message par patpauoli » 11 févr. 2018 10:11

En fait voici le problème de base :

La voiture se met parfois en sécurité sans explication.
Les pneus avant sont très fortement usés, jusqu'au fil sur les flans.
L'ABS est perturbé ainsi que la boite automatique parfois.

L'analyse à la valise fait apparaître un problème d'information de boitier ABS.

La personne qui l'a expliqué à mon fils et qui n'est pas joignable actuellement, lui a dit que celà pouvait provenir :
1- du contacteur de pédale de frein, là c'est simple.
2 - de l'interrupteur de frein, ou il faudrait passer derrière le moteur.

Mais est-ce bien le contacteur multifonction dont-il parle ?

Merci de votre aide.

Avatar du membre
Gils
Membre Initiale
Membre Initiale
Messages : 1303
Enregistré le : 11 avr. 2018
Localisation : Val d'Oise
Véhicule : Vel Satis Initiale Phase 2 BVA : 2.0L Turbo + 3.5L V6
Contact :

Message par Gils » 06 déc. 2019 23:33

patpauoli a écrit :
11 févr. 2018 09:59
J'ai bien tout compris.
Sur la boite automatique il est intégré dans le contacteur multifonction.
Bonsoir.

Moi non plus je n'ai pas bien compris :bof: :grin:

Le contacteur de feux de recul est à part ou incorporé au contacteur multifonction sur BVA ? (phase 2 dans mon cas)
Modifié en dernier par Gils le 06 déc. 2019 23:39, modifié 2 fois.
"Un peuple qui élit des corrompus, des renégats, des imposteurs, des voleurs et des traîtres n’est pas victime ! Il est complice !" George Orwell
Quand les excréments vaudront de l'Or, vos fesses ne vous appartiendront plus !! :cool:

Avatar du membre
Rauman
Membre Carminat
Membre Carminat
Messages : 404
Enregistré le : 29 mai 2017
Localisation : Côtes d'Armor
Véhicule : Vel Satis 2.0 T Privilège 2003 ph1 bm

Message par Rauman » 08 déc. 2019 17:32

@ patpauoli ;-)
patpauoli a écrit :
11 févr. 2018 10:11
La voiture se met parfois en sécurité sans explication.
Les pneus avant sont très fortement usés, jusqu'au fil sur les flans.
L'ABS est perturbé ainsi que la boite automatique parfois.

L'analyse à la valise fait apparaître un problème d'information de boitier ABS.
Tu devrais vérifier le capteur combiné d'ESP situé sur l'arrière du levier de vitesse, il sert aussi pour l'ABS et pour info pour les membres qui se plaignent que le déverrouillage automatique du frein à main lorsqu'ils sont garés en côte, fonctionne mal, ça vient aussi de ce contacteur combiné.

Esp a Contrôlé

Attention pour la phase 2 c'est peut-être pas la même référence.
:drive: Vel Satis 2.0 T Privilège 2003 ph1 bm 178000 kms -> 216000 kms

Répondre