changer un capteur de pression de carburant

kavalfran
Novice
Novice
Messages : 54
Enregistré le : 31 mai 2018
Véhicule : vel satis 3.0 dci initial

changer un capteur de pression de carburant

Message par kavalfran » 21 juil. 2018 22:46

bonjour a tous
quelqu un as til deja changer cette pièce ?
est ce compliqué ? ou faut il confier cela a un garagiste
merci de votre aide

Brun77

Message par Brun77 » 30 juil. 2018 20:50

Peut-être une photo de la pièce ?

Avatar du membre
Jean-Louis
Full Options
Full Options
Messages : 3385
Enregistré le : 30 juil. 2008
Localisation : JEUMONT(59)
Véhicule : 2L turbo
Contact :

Message par Jean-Louis » 31 juil. 2018 07:00

Il faut démonter la rampe et d'après le MR remplacer les tuyaux.

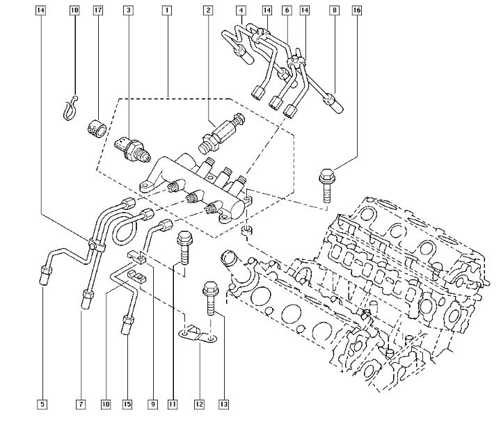
capteur pression rep 3

injection p9x.JPG
Image........Z’é cru voir une mousseImageImage

Brun77

Message par Brun77 » 06 août 2018 10:21

Il me semble que je le ai déjà change elle est sur la pipe d admission si c'est est celle ci juste le cache moteur et une clé de 19 ou 20
Cdlt

Brun77

Message par Brun77 » 06 août 2018 10:26

Non désolé moi j' ai changé sa
Code défaut P1299 et p0245 [résolu]

Brun77

Message par Brun77 » 06 août 2018 10:28

Retiré ton cache moteur et essaye de la repéré pour voir l accès

kavalfran
Novice
Novice
Messages : 54
Enregistré le : 31 mai 2018
Véhicule : vel satis 3.0 dci initial

Message par kavalfran » 21 août 2018 18:48

bonjour a vous
désolé j ai pas vu vos réponses car j étais en vacances , il est vrai que il y a beaucoup de demonter mais cela est fait , puis passage a la valise pour débeugué
le voyant s est supprimé mais après 30 minutes de route il s est rallumé donc retour au départ avec le même problème
comment savoir si le capteur fonctionne ?

Avatar du membre
Jean-Louis
Full Options
Full Options
Messages : 3385
Enregistré le : 30 juil. 2008
Localisation : JEUMONT(59)
Véhicule : 2L turbo
Contact :

Message par Jean-Louis » 21 août 2018 19:06

Si il est neuf pas de pb
Image........Z’é cru voir une mousseImageImage

kavalfran
Novice
Novice
Messages : 54
Enregistré le : 31 mai 2018
Véhicule : vel satis 3.0 dci initial

Message par kavalfran » 21 août 2018 19:21

re
non pas neuf je l ai eut sur France casse

Avatar du membre
Jean-Louis
Full Options
Full Options
Messages : 3385
Enregistré le : 30 juil. 2008
Localisation : JEUMONT(59)
Véhicule : 2L turbo
Contact :

Message par Jean-Louis » 21 août 2018 19:37

Il est peut-être bon mais ce sont les joies des pièces d'occasion maintenant seule la valise peut le dire et qu'as tu changé ?
Image........Z’é cru voir une mousseImageImage

kavalfran
Novice
Novice
Messages : 54
Enregistré le : 31 mai 2018
Véhicule : vel satis 3.0 dci initial

Message par kavalfran » 22 août 2018 09:08

j ai juste changé le capteur de pression de carburant a l entrée de la rampe d'injection
car le passage avec une valise renault montré qu il y avait pas assez de carburant qui arrivé

kavalfran
Novice
Novice
Messages : 54
Enregistré le : 31 mai 2018
Véhicule : vel satis 3.0 dci initial

Message par kavalfran » 22 août 2018 10:19

je viens d'apeler la casse qui me confirme que le vehicule etait roulant donc le contacteur fonctionnel

Avatar du membre
Jean-Louis
Full Options
Full Options
Messages : 3385
Enregistré le : 30 juil. 2008
Localisation : JEUMONT(59)
Véhicule : 2L turbo
Contact :

Message par Jean-Louis » 22 août 2018 11:43

Qui a dit que le capteur était en défaut ?
Image........Z’é cru voir une mousseImageImage

kavalfran
Novice
Novice
Messages : 54
Enregistré le : 31 mai 2018
Véhicule : vel satis 3.0 dci initial

Message par kavalfran » 23 août 2018 17:10

bonjour
une valise de chez renault montré un defaut d'alimentation en carburant en fait pas assez d'arrivée dans la rampe d in jection
d ou la deduction du mécano du capteur
le défaut est réapparu hier après midi , jai débranché la batterie pendant un long moment et le defaut a disparu
j ai repris la voiture cet apm , le défaut est réapparu apres 30 min de route, un long arrêt à Bricomarché et le défaut avait disparu ???
20 minutes de route plus tard il réapparait ??
a plus rien comprendre

un faux contact electrique quelque part ?

Avatar du membre
Jean-Louis
Full Options
Full Options
Messages : 3385
Enregistré le : 30 juil. 2008
Localisation : JEUMONT(59)
Véhicule : 2L turbo
Contact :

Message par Jean-Louis » 23 août 2018 18:17

oui mais un défaut de pression ne veut pas dire capteur HS, il y a plusieurs causes non ?
Image........Z’é cru voir une mousseImageImage

kavalfran
Novice
Novice
Messages : 54
Enregistré le : 31 mai 2018
Véhicule : vel satis 3.0 dci initial

Message par kavalfran » 23 août 2018 18:53

certaienement mais je n y connais pas assez pour cela
d ou ma présence sur le forum

Avatar du membre
Jean-Louis
Full Options
Full Options
Messages : 3385
Enregistré le : 30 juil. 2008
Localisation : JEUMONT(59)
Véhicule : 2L turbo
Contact :

Message par Jean-Louis » 23 août 2018 18:59

Ben pas facile alors si tu n'as aucune connaissance mécanique, il peut y avoir une fuite sur la rampe d'où la recommandation Rino de changer les tuyaux d'injecteurs ensuite PB de pompe d'injection et de sa gestion etc..
Image........Z’é cru voir une mousseImageImage

kavalfran
Novice
Novice
Messages : 54
Enregistré le : 31 mai 2018
Véhicule : vel satis 3.0 dci initial

Message par kavalfran » 25 août 2018 12:30

bonjour
bon apres avoir lu et vu pas mal de chose j ai pris mes outils et démonter pas mal de chose
ma vanne EGR est bouché pour une plaque , donc démontage et tous cela et décrassage de la fameuse vanne ( c est pas une partie de plaisir mais bon c est fait )
remontage ce matin j ai du jus mais trop de bulle dans le carburant je tire sur le démarreur mais encore trop d'air
il y a pas de pompe manuel dans le moteur
existe il une vis de purge sur le filtre ? j ai tourner la vis plastique noire mais rien ?

Avatar du membre
grez
Modo
Modo
Messages : 3397
Enregistré le : 19 févr. 2009
Localisation : 45 Orléans
Véhicule : 3.0L DCI initiale phase 2

Message par grez » 25 août 2018 15:52

Bonjour kavalfran,
Quand elle est en route, tu dévisses légèrement là, où tu vois la flèche , tu laisses s'échapper un peu de gas-oil, et tu refermes avant que ça cale. ;-)
Purge gas-oil.jpg
Je vis la nuit....car on m'a dit que j'allais mourir un jour !

kavalfran
Novice
Novice
Messages : 54
Enregistré le : 31 mai 2018
Véhicule : vel satis 3.0 dci initial

Message par kavalfran » 25 août 2018 16:20

le probleme c est qu elle veux pas demarrer car il y a beaucoup d'air dans le circuit

Répondre