-
yippie kaye
- Novice

- Messages : 23
- Enregistré le : 22 oct. 2017
- Véhicule : 3 L V6 Phase 2
-
yippie kaye
- Novice

- Messages : 23
- Enregistré le : 22 oct. 2017
- Véhicule : 3 L V6 Phase 2
Message
par yippie kaye » 10 mai 2019 19:38
Trop fort, milles mercis à toi !
-
yippie kaye
- Novice

- Messages : 23
- Enregistré le : 22 oct. 2017
- Véhicule : 3 L V6 Phase 2
Message
par yippie kaye » 10 mai 2019 20:38
En fait je me suis enflammé, c'est le capteur que je cherche :

- Capteur existant sur le V6 3L
- IMG_5.jpg (37.26 Kio) Vu 10216 fois

- Capteur existant sur le V6 3L
- IMG_5.jpg (37.26 Kio) Vu 10216 fois
et celui-ci que Jean-Louis à trouvé c'est :

- Pas le bon !
- IMG_5 (2).jpg (20.83 Kio) Vu 10216 fois

- Pas le bon !
- IMG_5 (2).jpg (20.83 Kio) Vu 10216 fois
En tout cas merci d'avoir cherché.
-
Jean-Louis
- Full Options

- Messages : 3385
- Enregistré le : 30 juil. 2008
- Localisation : JEUMONT(59)
- Véhicule : 2L turbo
-
Contact :
Message
par Jean-Louis » 11 mai 2019 06:53
Peux-tu faire une photo de son implantation mais pas trop près car je ne connais pas le moteur.
-
yippie kaye
- Novice

- Messages : 23
- Enregistré le : 22 oct. 2017
- Véhicule : 3 L V6 Phase 2
Message
par yippie kaye » 11 mai 2019 08:42
Merci, la voici :

-
Fichiers joints
-

- Vu d'ensemble
- IMG_6.jpg (75.79 Kio) Vu 10209 fois

- Vu d'ensemble
- IMG_6.jpg (75.79 Kio) Vu 10209 fois
-
Jean-Louis
- Full Options

- Messages : 3385
- Enregistré le : 30 juil. 2008
- Localisation : JEUMONT(59)
- Véhicule : 2L turbo
-
Contact :
Message
par Jean-Louis » 11 mai 2019 12:14
Tu peux me donner le VF1B... se trouvant sur la carte grise ?
Là je ne trouve pas sur dialogys !!
-
yippie kaye
- Novice

- Messages : 23
- Enregistré le : 22 oct. 2017
- Véhicule : 3 L V6 Phase 2
Message
par yippie kaye » 11 mai 2019 14:22
Le voici :
VF1BJRSOC36907535
et encore merci de ton aide précieuse.
-
yippie kaye
- Novice

- Messages : 23
- Enregistré le : 22 oct. 2017
- Véhicule : 3 L V6 Phase 2
Message
par yippie kaye » 11 mai 2019 17:12
Du coup j'ai installé Dialogsys, j'ai trouvé ma pièce :

- Pièce OK
- IMG_7.JPG (31.55 Kio) Vu 10187 fois

- Pièce OK
- IMG_7.JPG (31.55 Kio) Vu 10187 fois
Merci encore
-
Jean-Louis
- Full Options

- Messages : 3385
- Enregistré le : 30 juil. 2008
- Localisation : JEUMONT(59)
- Véhicule : 2L turbo
-
Contact :
Message
par Jean-Louis » 11 mai 2019 17:24
C'est quelle version de dialogys ?
-
yippie kaye
- Novice

- Messages : 23
- Enregistré le : 22 oct. 2017
- Véhicule : 3 L V6 Phase 2
Message
par yippie kaye » 11 mai 2019 19:13
C'est celle là :
-
Fichiers joints
-

- Capture.JPG (20.46 Kio) Vu 10180 fois

- Capture.JPG (20.46 Kio) Vu 10180 fois
-
yippie kaye
- Novice

- Messages : 23
- Enregistré le : 22 oct. 2017
- Véhicule : 3 L V6 Phase 2
Message
par yippie kaye » 11 mai 2019 19:29
J'ai la 4.56 en cours de chargement 17Go.
-
Jean-Louis
- Full Options

- Messages : 3385
- Enregistré le : 30 juil. 2008
- Localisation : JEUMONT(59)
- Véhicule : 2L turbo
-
Contact :
Message
par Jean-Louis » 12 mai 2019 06:22
J'ai la version 4.6 donc il doit y être tu l'as trouvé où dans dialogys ?
-
yippie kaye
- Novice

- Messages : 23
- Enregistré le : 22 oct. 2017
- Véhicule : 3 L V6 Phase 2
Message
par yippie kaye » 12 mai 2019 07:58
Après avoir renseigné le VIN, j'ai cliqué sur PR, puis dans la boîte de dialogue "17 Allumage- Injection" => injection diesel puis flèche de droite afficher la 2ème page pour la pièce qui m'intéresse.

- Dialogsys
-
Jean-Louis
- Full Options

- Messages : 3385
- Enregistré le : 30 juil. 2008
- Localisation : JEUMONT(59)
- Véhicule : 2L turbo
-
Contact :
Message
par Jean-Louis » 12 mai 2019 08:55
Ben c'est la même page que moi et même réference et tu dis que ce n'est pas ça ??
Edit : J'ai trouvé, dans ton message tu donnes
cette réf qui n'est pas celle que j'ai donnée

- Capture.JPG (27.35 Kio) Vu 10161 fois

- Capture.JPG (27.35 Kio) Vu 10161 fois
-
yippie kaye
- Novice

- Messages : 23
- Enregistré le : 22 oct. 2017
- Véhicule : 3 L V6 Phase 2
Message
par yippie kaye » 12 mai 2019 09:06
En fait non, c'est pas la même référence, celle que tu as trouvé : 7701052661, celle que j'ai trouvée : 7701064985
-
Jean-Louis
- Full Options

- Messages : 3385
- Enregistré le : 30 juil. 2008
- Localisation : JEUMONT(59)
- Véhicule : 2L turbo
-
Contact :
Message
par Jean-Louis » 12 mai 2019 09:16
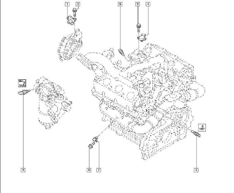
Pour la même pièce N°4 ?
-
yippie kaye
- Novice

- Messages : 23
- Enregistré le : 22 oct. 2017
- Véhicule : 3 L V6 Phase 2
Message
par yippie kaye » 12 mai 2019 09:21
Oui, je pense que d'avoir entré le code VIN fait que Dialogsys va sur la bonne base de données pour trouver les pièces
-
Jean-Louis
- Full Options

- Messages : 3385
- Enregistré le : 30 juil. 2008
- Localisation : JEUMONT(59)
- Véhicule : 2L turbo
-
Contact :
Message
par Jean-Louis » 12 mai 2019 09:36
Oui mais c'est le même moteur !!
-
yippie kaye
- Novice

- Messages : 23
- Enregistré le : 22 oct. 2017
- Véhicule : 3 L V6 Phase 2
Message
par yippie kaye » 12 mai 2019 09:48
Tu as raison, mes connaissances de ce logiciel sont limitées, je l'ai installé hier, a part la version différente je ne vois pas !